YESWELDER MIG205DS MULTIPROCESS WELDER Manual ManualsLib

Yeswelder 205ds Manual. YESWELDER TIG205DS OPERATOR'S MANUAL Pdf Download ManualsLib Yeswelder's flagship 205 amp ARC-205DS welder that designed with easy weld .Great performing on 7018 cellulose electrode.Powerful enough to weld 1/4 Inch (220V) and 5/32 Inch(110V) steel.The lightness and strength of its components make this a reliable welding tool for professionals or (DIY)use. Yeswelder Welding System: List of Devices # Model Type of Document; 1: Yeswelder YWM-211P: Yeswelder Welding System YWM-211P Operator's manual (40 pages) 2: Yeswelder TIG-205DS: Yeswelder Welding System TIG-205DS Operator's manual (20 pages) 3:

Setting up your Yeswelder Mig205DS Welding and fabrication, Welding
Setting up your Yeswelder Mig205DS Welding and fabrication, Welding from www.pinterest.com

View and Download Yeswelder MIG-205DS operator's manual online 5 Yeswelder Welding System Manuals and User Guides (7 Models) were found in All-Guides Database

Setting up your Yeswelder Mig205DS Welding and fabrication, Welding

For those who prefer more control, the manual MIG mode allows users to customize both wire feed speed and voltage according to personal preferences and. For those who prefer more control, the manual MIG mode allows users to customize both wire feed speed and voltage according to personal preferences and. View and Download Yeswelder MIG-205DS operator's manual online

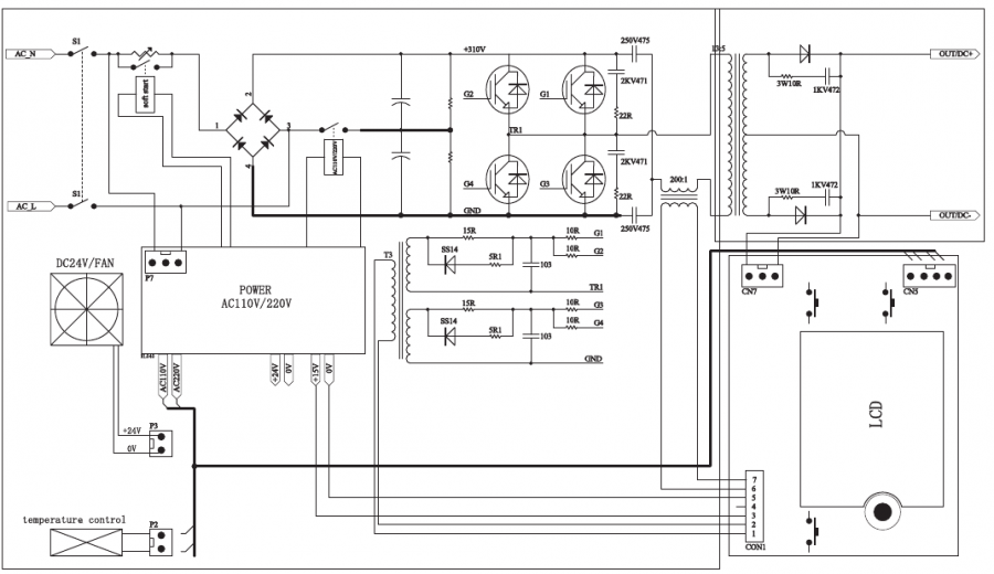
YESWELDER ARC205DS PRO Stick Welder Manual ManualsLib. Manuals Brands YESWELDER Manuals TIG Welding Equipment Digital MIG-205DS MIG Welder,200Amp 110/220V Dual Voltage, Gas Gasless MIG Welding Machine MIG/Lift TIG/ARC 3 in 1 Welder YesWelder MIG-205DS Multi-Process Welder has a wide application with Synergic Controlled MIG function, easy and simple operation

Setting up your Yeswelder Mig205DS Welding and fabrication, Welding. The ARC-205DS PRO is a 205 amp arc welding power source which utilizes single phase input power, to produce constant current Output The welding response of this machine has been optimized for stick (SMAW) and LIFT TIG (GTAW). Observe all safety information throughout this manual